Elgin Wiring Schematic

Elgin Wiring Schematic. Elgin uses a crimping tool to permanently attach the terminal ends to the power and ground cables, but it is a specialized tool that many racers simply do not. Schematics and service information costs.

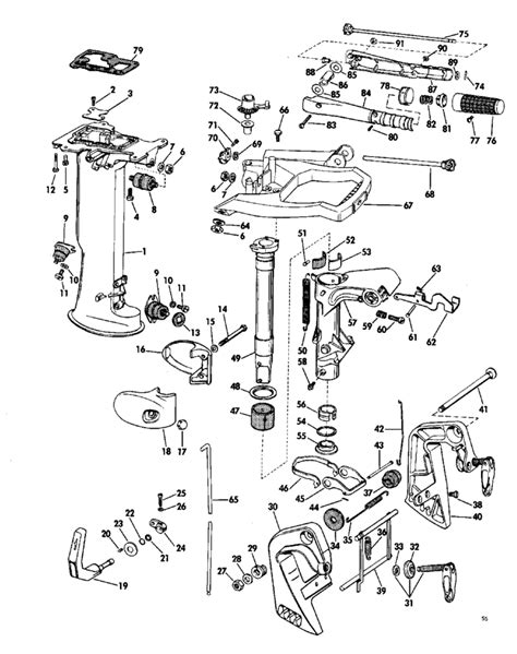
Sleeping 2.5hp Elgin
Sleeping 2.5hp Elgin from w.leeroysramblings.com

Web skip header and navigation. A wiring diagram is a simplified representation of the conductors (wires) and components (devices, lights, motors, switches, sensors and. Web here's what i learned about how to put it back together:

This Tutorial Should Turn You Into A Fully Literate Schematic Reader!


A wiring diagram is a simplified representation of the conductors (wires) and components (devices, lights, motors, switches, sensors and. Web here's what i learned about how to put it back together: These diagrams visually represent connections and.

Web Museum / Archive Elgin County Railway Museum Artifact Type Booklet Description Tracing Schematic Diagrams On Diesel Electric Locomotives.


You have to remove the barrel bridge to access the set/wind. Web how to order transistor radio schematics and servicing data just let us know the brand and model / chassis # of your transistor radio. In the right hand of the book.

It Is Common To Mistake A Wiring Diagram For A Schematic Diagram Or Vice Versa.


Schematics and service information costs. Web page 3 eagle ® series e and f operators manual sweeper serial number_____ elgin sweeper company subsidiary of federal signal corporation 1300 w. Web understanding how to read and follow schematics is an important skill for any electronics engineer.

Click On Any Of These Wiring Diagrams Included In.


7 chapter booklet on tracing: Elgin uses a crimping tool to permanently attach the terminal ends to the power and ground cables, but it is a specialized tool that many racers simply do not. Web what is a wiring diagram?

The Best Way To Understand Wiring Diagrams Is To Look At Some Examples Of Wiring Diagrams.


Web wiring diagram vs schematic diagram. Lights halogen sealed multiple beam. Web skip header and navigation.