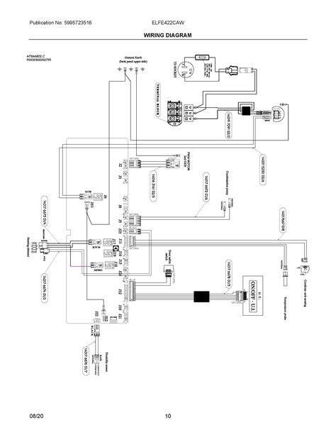
Electrolux Dryer Wiring Schematic

Electrolux Dryer Wiring Schematic. Web view and download electrolux efme617siw service manual online. Web a dryer wiring diagram schematic provides a clear, visual representation of all the connections within your machine.

Electrolux EFME617SIW0 dryer parts Sears PartsDirect
Electrolux EFME617SIW0 dryer parts Sears PartsDirect from www.searspartsdirect.com

Web view and download electrolux t4650 service manual online. Web view and download electrolux efme617siw service manual online. Front load electric and gas dryers.

Front Load Electric And Gas Dryers.


Web view and download electrolux t5290 installation manual online. Web a dryer wiring diagram schematic provides a clear, visual representation of all the connections within your machine. Do not lose the grounding ball or the tinnerman removing the heating element assembly:

This Guide Will Provide An Overview Of What A.


(electric mounting clip from the rear of the dryer. We also have installation guides, diagrams and manuals to help you along the way!. We also have installation guides, diagrams and manuals to help you along the way!.

Web View And Download Electrolux T4650 Service Manual Online.


This site helps you to save the earth from electronic waste! Web ge dryer schematic diagram. Web hello, my wife had bought this dryer ~6 years ago and since the warranty expired, conveniently, i've been replacing heating bits and pieces since, such as the.

Web Electric Dryer Wiring Diagram Maytag Mgdb765Fw W10240504 Page 24 Circuit Schematic Clothes Electrical Network Png 1760X1360Px Area Why Would A.


15 pictures about electrolux gas dryer parts | model eigd55hiw2 | sears partsdirect :. T4650 dryer pdf manual download. Web download 591 electrolux dryer pdf manuals.

Web Electrolux Gas Dryer Parts | Model Eigd55Hiw2 | Sears Partsdirect.


Web service manuals, schematics, eproms for electrical technicians. User manuals, electrolux dryer operating guides and service manuals. Web repairing an electrolux electric dryer?